Kamis, 27 Juni 2013

Cara kerja sistim protek Polytron

Hampi semua sistim protek Polytron hanya menggunakan sampling protek dari pulsa Vertikal. Artinya jika bagian vertikal tidak kerja, maka akan menyebabkan pesawat mati protek.
 
Problem mati protek dapat disebabkan antara lain karena :
  • Vertikal tidak mendapat suply Vcc
  • IC vertikal-out rusak
  • Flyback tidak kerja, sebab suply Vcc ic vertikal-out berasal dari flyback.
  • Kerusakan pada sirkit protektor itu sendiri (vertikal-out teteap bekerja normal)
 
Cara kerja sirkit protektor
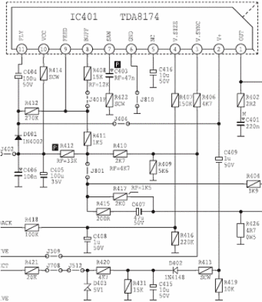
  • Pulsa-pulsa dari vertikal pump-up (vertikal flyback) dikopel melalui sebuah elko 1uF (contoh gambar C409) dan dihubunghkan ke sebuah diode (contoh gambar D402)
  • Diode berfungsi sebagai penyearah pulsa-pulsa vertikal sehingga diperoleh tegangan sekitar 5v (contoh gambar pada elko C515)..
  • Tegangan 5v ini diumpankan ke pin-PROTEK ic mikrokontrol. Jadi normal pin-protek harus ada tegangan 5v · Misalnya bagian vertikal tidak kerja, maka pulsa-pulsa vertikal akan menghilang, sehingga akan mengakibatkan tidak ada tegangan 5v pada pin-protek mikrokontrol
clip_image002
 
Kerusakan pada sirkit protektor sendiri yang menyebabkan mati protek :
  • Sering terjadi bagian vertikal-out bekerja normal.
  • Tetapi elko kopel 1uF pada sirkit protektor kering.
  • Hal ini mengakibatkan diode tidak mendapat pulsa-pulsa vertikal.
  • Dan pin-protek mikrokontrol tidak mendapat tegangan 5v
 
Pin-PROTEK :
  • Jika menggunakan UOC (ic tunggal) pin protek adalah pin-42
  • Jika menggunakan ic mikrokontrol dan jungel  maka pin protek adalah pin-60

Tidak ada komentar:

Posting Komentar